SINUMFRIK 802系列數控系統是西門子公司專門為中國數控機床市場新開發的經濟型、集成式CNC控制系統,用于控制帶步進驅動(( S=Stepper)的經濟型機床(如數控車床)。
(1)認識SINUMERIK 802系列數控系統的接口;
(2>能夠讀懂SINUMERIK 802系列數控系統說明書;
(3)能夠連接數控系統與外圍設備;
(4)能夠診斷和調試SINUMERIK 802系列數控系統的故障。
(1)了解SINUMERIK 802系列數控系統的硬件結構;
(2)理解SINUMERIK 802系列數控系統軟、硬件的工作過程;
(3)掌握SINUMERIK 802系列數控系統的連接及調試方法。
引導知識
1. SINUMERIK 802系列數控系統功能和主要特點
該系列系統可以控制2 }--3個步進電動機軸和一個伺服主軸或變頻器,連接步進驅動STEPDRIVER。
(1) CNC控制器高度集成于一體的數控單元,配置數字控制(NC)操作面板、機床操作面板(MCP)、液晶顯示器、輸人輸出單元。
(2)驅動器和電動機步進驅動STEPDRIVER和五相混合式步進電動機。
(3)電纜連接CNC控制器到步進驅動器的電纜和連接步進驅動器到步進電機的電纜。
2. SINUMERIK 802系列系統的構成
SINUMERIK 802系列包括硬件、軟件兩部分,硬件組成如圖1一1一6所示。



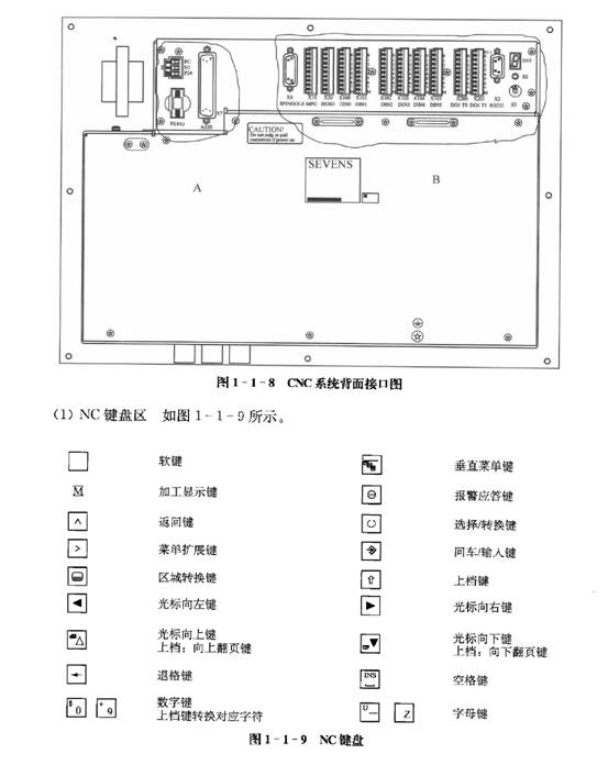
(3)系統接口布局系統的接口位于機箱的背面,如圖
①X1源接口(DC24V)rr芯螺釘端子塊,用于連接24 V負載電源。
② X2 RS232接口(24 V):9芯D型插座,數據通信或編寫PLC程序時使用。
③ X6主軸接口(ENCODER ) : 15芯D型插座,用于連接一個主軸增量式編碼器(RS422)。
④ x}驅動接口(AXIS>:50芯D型插座,用于連接具有包括主軸在內最多4個模擬驅動的功率模塊。
⑤ X10手輪接口(MPG) : l0芯插頭,用于連接手輪。
⑥1 LJ數字輸人(DI) :10芯插頭,用于連接NC READY繼電器盒BEROo
⑦X100到X105:10芯插頭,用于連接數字輸入。
⑧X200和X201;10芯插頭,用于連接數字輸出。
⑨S3:調試開關。
⑩熔絲:熔絲F1,外部設計使用戶可以方便地更換。
⑾S2和D15:這些元件只用于內部調試。

4.驅動模塊
步進電動機的控制信號為脈沖信號(PULS)、方向信號(DIR)和使能信號(ENA )。電動機每轉給出1 000個脈沖,步距角為0. 36。如圖i一1一12所示為用于數控車床的驅動器電纜連接圖,按圖示分別連接電源、信號電纜、電動機電纜。所有的電纜都必須在斷電狀態下連接。電纜正確連接完畢后,通過DIL開關設定與電動機型號相對應的電流。
驅動模塊上各接線端子及I_ED指示燈含義如下:
(1)主電源端子
①L: AC85V相線輸人;
②N:AC85 V零線輸人;
③PE:接地。
(2)控制信號輸入端子
①+PULS,-PULS:脈沖基本信號與取反信號,+PLUS控制步進電動機順時針旋轉速度,-PLUS控制步進電動機逆時針旋轉速度;
②+DIR,- DIR:方向基本信號與取反信號,+DIR有效時控制步進電動機順時針方向旋轉,-DIRZ有效時控制步進電動機逆時針方向旋轉;
③+ENA,-ENA:使能控制基本信號與取反信號,十ENA有效時,步進電動機順時針有效,一ENA有效時,步進電動機逆時針有效;

④RDY:運行準備,接24 V電源;
⑤+24 V, +24 V GND, PE:24 V信號接口。
由CNC系統X7接口輸出的控制信號P1, P1N, D1, D1N, E1, E1N用于X軸控制,P3,P3N,D3,D3N,E3,E3N用于Z軸控制。
(3)動力輸出端子
① A, A:輸出電流至步進電動機A相繞組;
②B, B:輸出電流至步進電動機B相繞組;
③C,C:輸出電流至步進電動機C相繞組;
④D, D:輸出電流至步進電動機D相繞組;
⑤E, E:輸出電流至步進電動機E相繞組。
(4) DIL開關設定
CURR.1, CURR2:電流設定開關,根據所選用的步進電動機的類型,通過CURR. 1,CURR.2開關設定相應的電流值,見表1一1一1

【案例一】一臺數控車床,配置SINUMERIK 802數控系統。啟動時,在顯示面板上除READY燈不亮外,其余所有指示燈全亮。
<1>故障分析由于故障發生在啟動階段,應檢查開機清零信號“RESET”是否異常。又因為主板上的DP6指示燈亮,它是直流電源的指示燈,因此,也需要對DP6的相關電路以及有關電源進行必要的檢查。
(2)故障定位
①首先對DP6相關電路進行檢查,經檢查確認是驅動DP6的雙穩態觸發器LA10邏輯狀態不對,已經損壞。用新件更換后,DP6已經熄滅,但故障現象還是存在,數控系統還是不能啟動。
②對“RESET”信號及數控柜內各連接器的連接情況進行檢查,連接狀況良好,但“RESE1”信號不正常。發現與其相關的A38位置上的LA01與非門電路邏輯關系不正確。
③檢查士15V,士5 V, +5R, }6R, -h 12 V, +24 V,發現一5V電壓只有一4. 2 V ,已經超出士5%的范圍。進一步檢查發現,該電路整流橋后有一個濾波電容C19(10 000 }F,24 V),該電容的引腳焊接處電路板銅箔斷裂。
(3)故障排除將其焊接好后,數控系統能正常啟動。至此,故障排除。
【案例二】一臺數控車床,配置SINIJMERgC 802S數控系統,系統開機后,黑屏或花屏。
(1)故障分析根據故障現象可以推斷可能是LCD故障,也可能是參數或軟件的問題。
(2)故障定位
①首先檢查LCD,沒發現任何異常。
②斷電后將系統后的紅色小撥碼開關撥到I的位置。
③上電,系統能啟動,說明用戶數據有問題。
(3)故障排除將備份的軟件和參數重新傳人數控系統,機床正常工作。
【案例三】一臺配置SINUMERIK 802C數控系統的CKS6136數控車床,向負方向移動時無任何反應,并且還出現25060號報警。
(1)故障分析查SINUMERIK 802C數控系統說明書中報警信息表,25060號報警的內容是坐標軸轉速給定極限報警坐標軸轉速給牟極限報警,是指轉速給定值超出了MD36210的上限值,并且遠遠大于所允許的范圍,給定的坐標軸速度超過了MD32260中的電機額定轉速。根據故障現象可以推斷故障的可能原因有:
①數控系統參數數據丟失或錯誤;
②位移傳感器有誤動作;
③有誤輸人使轉速過大。
(2)故障定位
①降低進給編程的速度或在此軸運行時將倍率開關打到100,觀察是否還報警。可以將此軸F值適當降低,直到正常運行。但速度太慢顯然不是正常的速度;
②增加MD32260的值(最好不要超過電機的額定轉速),問題沒有根本解決;
③檢查滑板(導軌、絲桿、軸承等運動部件)是否局部不平滑,在工件與刀具接觸時速度下降,造成報警;
④檢查傳感器,沒發現異常;
⑤檢查MD32200,伺服增益,發現該軸數值過大。
(3)故障排除改正后,重新啟動系統工作正常,故障排除。
【案例四】數控車床配備SINUMERIK 802C系統。在安裝調試時,CRT顯示器突然出現無顯示故障,而機床還可以繼續運轉。停機后再開,又一切正常。
(1)故障分析在設備運轉過程中經常出現這種故障。采用直觀法進行檢查,發現每當車間上方的門式起重機經過時,環境振動大,就會出現此故障,由此初步判斷是原件連接不良。
(2)故障定位檢查顯示板,用手觸動板上元件,當觸動某一集成塊管腳時,CRT上的顯示就會消失。經觀察發現該管腳沒有完全插人插座中。另外,發現此集成塊旁邊的晶振有一個端子沒有焊錫。
<3)故障排除將松動集成塊插牢,晶振端子焊牢,這兩處故障原因排除后故障消除。
①數控機床由于采用的控制系統品種較多,控制要求各不相同,對于不同的機床、不同的系統,維修時應根據機床與系統的實際情況,分別進行處理。
②機床維修者必須熟悉各種系統的電源控制要求,維修時做到心中有數。
③對于控制較復雜的機床,不僅要掌握系統的電源ON/OFF要求,而且還必須對照機床電氣原理圖進行維修處理,若非萬不得已,不宜改變機床的原操作方式與原設計功能。
④維修數控機床應是多方位的,既要掌握系統生產廠家推薦的線路與控制方法,還必須根據機床、系統的實際情況靈活處理,不可教條。
2018-07
西門子840D數控系統常用維修方法SINUMERIK 840D是德國西門子公司上世紀九十年代推出的一種高檔數控系統,SIN840D系統的特點是計算機化,驅動的模塊化,控制與驅動接口的數字化。NCU573.3采用Pentium Ⅲ CPU,最多可控制31個伺服軸或主軸,10個通道或… [了解更多]
2018-07
FANUC 0 系統 序號 故障征兆 故障原因 解決辦法 1 當選完刀號后,X、Y軸移動的同時,機床也進行換刀的動作,但是,X、Y軸移動的距離,與X、Y軸的移動指令不相吻合,并且每次的實際移動距離與移動指令之差還不一樣 沒有任何報警,應屬于參數問題。 1.修改參數0009號TMF… [了解更多]
2016-01
600 加工中心出于提高工效和降低員 工勞動強度的需要,加裝了一臺 能自動完成上、下料工作的機器 人。當機器人完成上料后,防護 門關閉,工件自動裝夾,加工完 成后,工裝放松,防護門打開, 再由機器人卸料。 1. 硬件要求 此次改造中,我們新增了能 實現自動裝夾的氣動工裝,自動 打… [了解更多]