2 數控波形發生器的結構組成及工作原理
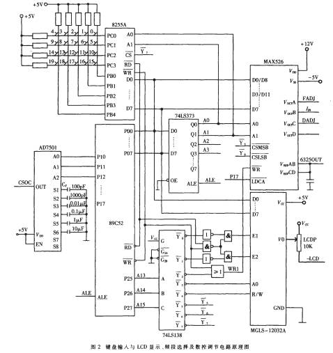
數字化波形發生器主要由主控制器單片機 89C52、鍵盤與顯示電路、波形發生器 MAX038、 12 位 4 路數模轉換器 MAX526、頻段控制單元、幅值控制單元等單元電 路 組 成 。 單 片 機 主 要 完 成 對 鍵 盤 輸 入 的 檢 測 、對MAX038 輸出波形的選擇、 對 D/A 輸出控制, 從而完成對頻率和占空比的調節及對頻段的選擇; 鍵盤采用 4× 5的矩陣鍵盤, 分別設置了數字鍵( 0~9) 和功能鍵( 小數點" ."、 頻段、 頻率、 占空比、 幅值、 正弦波、 方波、 三角波、取消等) 共 19 個鍵。使用時先按功能鍵后按數字鍵; 顯示部分采用 LCD 顯示頻率(6 位)和幅值(4 位); MAX038函數發生器芯片是系統的核心部分, 在單片機的控制下輸出正弦波、 三角波、 矩形波, 且波形的頻率和占空比易于調節; 12 位 4 路輸出的數模轉換器 MAX526 在單片機的控制下, 輸出 2~750μ A 的電流及± 2.4V 和± 2.3V 的電壓, 分別進行頻率、 占空比的調節; 頻段選擇單元采用 8選 1 的多路模擬開關 AD7501, 在單片機的控制下使每一路分時選通, 將不同的電容值 CF 接入 MAX038 電路中, 就可確定輸出頻率范圍, 即頻段, 共有 6 個頻段供選擇切換, 輸出波形頻率范圍與 CF 的關系如表 1 所示。幅度控制單元主要調節輸出信號的幅度, MAX038 輸出端OUT 的 VP - P =2V 幅度值通過放大器放大后送入數字衰減器 AT- 280 中進行衰減, 調整放大后的輸出幅度。鍵盤輸入與顯示、 頻段選擇及數控調節電路原理圖如圖 2所示。

2 .1 4 路 12 位電壓輸出型 D/A 轉換器 MAX526 的應用MAX526 是 4 路 12 位電壓輸出型 D/A 轉換器, 模擬量電壓輸出為: VOUT=( VREF× Dn ) /4096。8 位數據總線, 數據通過兩次寫操作( 低 8 位 LSB, 高 4 位 MSB) 裝入各輸入寄存器, 并通過異步裝載 DAC 輸入信號將輸入寄存器數據裝入 DAC 寄存器。MAX526 轉換時間為 3μ s , 與TTL/CMOS 電平兼容, 只有 1LSB 不可校正線性誤差的優點, 使其廣泛地應用在數字增益校正、 工業控制、 自動測試設備等方面。
MAX526 的 VOUTA、VOUTB、 VOUTC、 VOUTD 是 4 通道模擬量輸出引腳; 控制信號 CSMSB、 CSLSB 為高低字節位選擇, 當 CSLSB 為 0 時低 8 位數據輸出, CSMSB 為 0 時高4 位數據輸出。控制信號 LDAC 為 0 時將各自輸入寄存器的內容轉換到其各自獨立的 DAC 寄存器??刂菩盘?/span>A0、 A1 為 通 道 選 擇 信 號 ; 數 據 線 D0 ~D7, D8 ~D11 與D0~D3 復用; WR 為寫控制信號; 基準電源信號 REFAB是 A、 B 模擬量基準輸入, REFCD 是 C、 D 模擬量基準輸入。MAX526 通過 A0、 A1 選擇 DAC 以便區分訪問的是哪個通道, 通過 CSMSB、 CSLSB、 WR 這 3 個信號區分將轉換數據裝入到 A0、 A1 已選擇的各個輸入寄存器的內容, 并區分寫入的數據是高 4 位還是低 8 位。MAX526編程設計時通過 LDAC 控制各個通道 DAC 寄存器的轉換實現。在接口電路中, 將 LDAC 與單片機的 P17 相連,以便查詢其工作狀態。另外, MAX6325 是一個電壓基準信號源, 提供 MAX526 所必須的外接電壓參考。
2 .2 頻率和占空比的數控調節原理
MAX038 的輸出頻率主要受振蕩器電容 CF、 IIN 端電流 IIN 和 FADJ 端電壓 VFADJ 控制。選擇一個 CF 值, 對應IIN 端電流變化, 將產生一定范圍的輸出頻率。另外, 改變 FADJ 端的電壓, 可以在 IIN 控制的基礎上, 對輸出頻率實現微調控制。 可通過電壓輸出型的 DAC MAX526 實現輸出頻率的數控調節。MAX038 的 IIN 端和 FADJ 端分別連接到 MAX526 的 VOUTA 和 VOUTB 兩個輸出端上。通過 V B 產生 0V( 00H) 到2.5V( 0FFH) 的輸出電壓, 再經電壓/電流轉換網絡, 在 IIN 端產生 0μ A 到 750μ A 的工作電流, 使之產生相應的頻率范圍。VOUTB 將此工作電流范圍分為 256 級步進間隔, 輸出頻率范圍也被分為 256級步進間隔。所以, IIN 端電流實現了對輸出頻率的粗調。VOUTA 在 FADJ 端產生一個從- 2.4V( 00H) 到+2.4V( 0FFH) 的電壓范圍, 該范圍同樣也包含 256 級步進間隔, 將 IIN 端的步進間隔再次細分為 256 級步進間隔,從而在粗調的基礎上實現微調。各頻段的頻率范圍劃分為 65 536 級間隔。 MAX526 的 VOUTC 在 DADJ 端產生一個從- 2.3V( 00H) 到+2.3V( 0FFH) 的 電壓 調節范 圍, 對 占空比實現數字控制, 該范圍包含 256 級步進間隔。VOUTC的每一級步進對應著 Δ V=[2.3- ( - 2.3) ]/256=17.9mV 和V%=( 90%- 10%) /256=0.3125。調節占空比時應盡量避免輸出頻率發生變化。僅當 δ =15%~85%且 25μ A<IIN<250μ A 時, 對頻率影響最小。數控波形發生器頻率和占空比調節電路的原理圖如圖 3 所示。


2 .3 輸出幅值的數控調節
MAX038 的輸出信號本身在輸出級有內部的輸出放大器, 具有很強的驅動能力, 且輸出阻抗小于 0.1Ω, 但是, 由于其輸出波形的幅度為 2VP- P, 若要調節它的輸出幅度, 特別是當輸出頻率較高、 輸出波形不是正弦波時,要進行幅度放大相當困難。所以, 要為 MAX038 的 3 種10Hz~10MHz 輸出波形配置一種通用的全帶寬后級輸出放大器。放大以后的輸出信號送入數字衰減器 AT- 280進行衰減。AT- 280 是一種采用 SOIC- 16 塑封表貼封裝形式的 5 位、 0.5B 步距的數字衰減器, 非常適用于高精度衰減、 快速開關、 極低功耗要求的場合, 其可靠性非常高。VC1、 VC10、 VC2、 VC20、 VC3、 VC30、 VC40、 VC50 分別為 數 據 控 制 端 ; RF1 和 RF2 分 別 為 信 號 輸 入 輸 出 端 。AT- 280 的真值表如表 2 所示。

3 數控函數發生器頻率與幅值的 LCD 顯示及頻段選擇
液晶顯示模塊 LCM 是一種將液晶顯示器件、連接件、 集成電路、 背光源等裝配在一起的組件。 在單片機系統中使用液晶模塊作為輸出器件具有顯示質量高、 數字式接口、 體積小、 重量輕、 功率消耗小等優點, 非常適合于嵌入式系統、 移動設備和掌上設備的使用。點陣圖形液晶模塊不僅可以顯示字符、 漢字, 還可以顯示連續、 完整的圖形。
3.1 內置 SED1520 的 MGLS- 12032 圖形液晶模塊的應用在 GPS 定位信息采集與顯示系統中, 使用型號為MGLS - 12032 的點陣圖形液晶模塊, 內置 SED152F0A 控制驅動器, 集行、 列驅動器和控制器于一體, 廣泛應用于小規模液晶顯示模塊。液晶模塊 MGLS- 12032 的點陣數120× 32, 而 一 個 SED152F0A 顯 示 控 制 器 內 置 80× 32( 2560 位) 顯示 RAM 區, RAM 中的一位數據控制液晶屏上一個像素的亮、 暗狀態: “ 1” 表示亮, “ 0” 表示暗。顯示RAM 被分成 4 頁, 每頁 8 行有 80 字節, 每頁的數據寄存器分別對應液晶屏幕上的 8 行點。MGLS- 12032A 液晶模塊由兩片 SED1520F0A 驅動, 兩個 SED152F0A 都只用了其中的 60 個列驅動口, 分別驅動液晶顯示器的左、右 半 屏 。 當 設 置 了 頁 地 址 和 列 地 址 后 就 確 定 了 顯 示RAM 中的唯一單元, 該單元由低到高的各個數據位對應于顯示屏上某一列的 8 行數據位, 即每一頁中屏幕上的每一列對應一個顯示 RAM 的 1 字 節內容 。對顯 示RAM 的一個字節單元賦值就是對當前列的 8 行像素點( 一頁) 是否顯示進行控制。
3 .2 液晶模塊與單片機的接口方式
SED1520 液晶顯示控制驅動器可以直接與 89C52 單片機相連, 不必使用其他的接口芯片, 因此選擇存儲器映像方式的接口, 將液晶模塊當作存儲器的一部分, 直接使用存儲器讀寫進行 I /O 操作。在單片機的控制下,按照要求的格式顯示頻率和幅值。由于 LCD 沒有獨立的片選信號, 所以使用單片機的讀寫信號進行選通。單片機的讀寫信號RD 、 WR 通過 74LS00、 74LS04 轉換后作為對 LCD 的片選信號, 分別接 LCM 的兩個控制器芯片SED1520 的使能端 E1、 E2, 高電平允許使用, 低電平禁用。液晶模塊的數據總線 DB0~DB7 與單片機的數據總線 D0 ~D7 ( P0 口) 直接相連, 液晶模塊的控制引腳, 即LCD 的數據/指令選擇端 A0 與 138 譯碼器的地址線Y3相連, 高電平選擇數據通道, 低電平選擇指令通道。LCD的讀/寫控制端 R/W 接Y4 , 高電平讀, 低電平寫。V0 為LCD 提供對比度調節負電壓, 這樣對液晶模塊的各種指令操作, 實際上就是與相應的控制地址交換數據。要在液 晶 模 塊 上 顯 示 一 個 字 符 或 漢 字 , 應 分 別 向 兩 個SED1520 控制器寫指令代碼、 寫顯示數據、 讀顯示數據。訪 問 SED1520 前 , 首 先 讀 取 控 制 器 當 前 的 狀 態 , 當SED1520 處于忙的狀態時, 除了讀狀態字指令外, 其他指令均不起作用。
本文由 伯特利技術文章 整理發表,文章來自網絡僅參考學習,本站不承擔任何法律責任。
伯特利數控一直以盡心、盡力、盡意的態度把握每一臺 加工中心、鉆攻中心的質量
相關文章可查閱本站:技術文章 或本文下方 標簽 分類
相關產品可查閱本站:產品中心
數控教學論文及行業發展資訊可查閱本站:行業資訊
2018-07
FANUC 0 系統 序號 故障征兆 故障原因 解決辦法 1 當選完刀號后,X、Y軸移動的同時,機床也進行換刀的動作,但是,X、Y軸移動的距離,與X、Y軸的移動指令不相吻合,并且每次的實際移動距離與移動指令之差還不一樣 沒有任何報警,應屬于參數問題。 1.修改參數0009號TMF… [了解更多]
2016-01
600 加工中心出于提高工效和降低員 工勞動強度的需要,加裝了一臺 能自動完成上、下料工作的機器 人。當機器人完成上料后,防護 門關閉,工件自動裝夾,加工完 成后,工裝放松,防護門打開, 再由機器人卸料。 1. 硬件要求 此次改造中,我們新增了能 實現自動裝夾的氣動工裝,自動 打… [了解更多]
2015-10
描述 本實用新型涉及一種刀具夾緊機構,特別是一種數控落地機床的刀具夾緊機構。 背景 與普通機床相比,數控機床的工藝范圍更寬,工藝能力更強,其主傳動具有較寬的 調速范圍,以保證在加工時能選用合理的切削用量,從而獲得最佳的加工質量和生產率。現 代數控機床的加工中心主軸部件是機床的… [了解更多]