在自動操控系統規劃、 調試和現代電子學的各個領域, 常常需求高精度、 高頻率且頻率可便利調理的正弦波、 矩形波、 三角波等信號作為信號源。函數信號發生器的完成辦法一般有以下幾種: (1)用分立元件構成的函數發生器, 但一般是單函數發生器, 其頻率不高, 工作不行安穩, 不易調試。(2)由晶體管、 運放 IC 等通用器材制造, 多用專門的函數信號發生器發生信號。前期的函數發生器芯片如 8038, 其功用較少, 精度不高, 頻率上限只要 300kHz, 無法發生更高頻率的信號, 調理方法也不行靈敏, 頻率和占空比不能獨立調理, 且相互影響。(3)運用專用直接數 字 合 成 DDS 芯 片 的 函 數 發 生器, 能發生任意波形并到達很高的頻率, 但本錢較高。(4)目前多運用MAXIM 公司開發的新一代專用函數信號發生器芯片 MAX038, 其輸出頻率規模 0.1Hz~20MHz, 輸出電阻 0.1Ω, 非線性失真小于 0.75%,輸出波形有正弦波、 三角波、 鋸齒波、 方波、 脈沖波, 頻率和占空比都易于調理。因而, MAX038 被稱為高頻精細函數信號發生器。別的,在鎖相環、 壓控振蕩器、 頻率合成器、脈寬調制器等電路的規劃上,MAX038 都是優選的器材。可是,基 于 MAX038 的 函 數 信 號 發 生 器的頻率和占空比調理是通過外接可調電阻來完成的, 這樣很難滿意可調規模大、 精度高、 信號安穩的要求。所以, 從設備的可操作性和實用性的視點考慮, 依據 MAX038 輸出頻率的數控調理原理, 選用微處理器作為操控單元, 聯系DAC 和 MAX038 可規劃成一個運用便利、 精度高的數字化波形發生器。
1 MAX038 信號發生器的工作原理
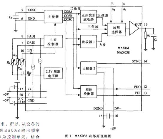
MAX038 是一個具有高頻、 高精度、 低輸出電阻、 驅動能力強的函數信號發生器芯片。MAX038 內部含有精細帶隙電壓參閱、 鑒相器和 TTL 同步輸出, 能以起碼的外 部 元 件 構 成 一 臺 多 波 形 的 高 頻 函 數 信 號 發 生 器 。MAX038 是目前較為抱負的信號發生集成芯片。其內部電路框圖如圖 1 所示。

MAX038 芯片的核心部分是一個電流控制的基本振蕩器, 工作電源采用± 5V, 內部提供 2.5V 基準電源, 通過外接電阻 RIN、 RF 向主振控制器的 IIN 端和 FADJ 端提供頻率粗調電流和頻率細調電壓; 通過電阻 RD 向 DADJ端提供脈沖占空比調節電壓。這 3 個參數經主振控制器處理后, 向振蕩器提供充電電流, 該電流對外接電容 CF充電和放電, 形成振蕩, 產生三角波信號 A、 B、 C。信號A 送正弦波形成電路, 產生正弦波; 信號 B、 C 送入比較器 1, 產生方波。正弦波、 方波和三角波被同時送入波形選擇器, 可以通過和 TTL/CMOS 電平兼容的地址輸入(A0、 A1)來選擇其中的一種波形輸出。 另外信號A 送入比較器 2, 產生同步信號 SYNC, 供外圍電路使用; 信號 B、 C 送入相位檢測器, 產生PDO 信號和 PDI 信號, 供鎖相環電路使用。
電路的振蕩頻率為:
f=f0(1- 0.2915VFADJ)=IIN(1- 0.2915VFADJ)/CF
波形的占空比為:
ι /T=0.5- 0.174VDADJ
當 VFADJ=0V 時, IIN=2~750μ A, 對應中心頻率 f0 為 350: 1的變化范圍; 當 VFADJ =± 2.4V 時, 調制頻偏為± 70%。當VDADJ =0 時, 波形的占空比為 50%; 當 VDADJ =± 2.3V 時, 占空比為 10%~90%。在 FADJ 和 DADJ 端口的內部, 設置了 250μ A 的下拉電流源, 可簡化外部電路設計, 僅用電阻 RF 和 RD 就可以對頻偏和占空比進行調整。IIN 端口由內部的運放強制為虛地, 故調整頻率粗調電路中的電位器 RIN 就能調整輸入電流 IIN, 實現中心頻率的調節。手動微調時, 可在 REF 和 FADJ 之間接入可變電阻器 RF , 調整頻率細調電位器RF 可得到所需信號的頻率值。如果不作頻率微調, FADJ 端不能開路, 必須經過 12k 電阻接地, 達到禁止使用的目的。調整占空比調節電路中的電位器 RD, 改變MAX038 輸入端 DADJ 電壓的大小, 從而改變占空比。
本文由 伯特利技術文章 整理發表,文章來自網絡僅參考學習,本站不承擔任何法律責任。
伯特利數控一直以盡心、盡力、盡意的態度把握每一臺 加工中心、鉆攻中心的質量
相關文章可查閱本站:技術文章 或本文下方 標簽 分類
相關產品可查閱本站:產品中心
數控教學論文及行業發展資訊可查閱本站:行業資訊
2018-07
FANUC 0 系統 序號 故障征兆 故障原因 解決辦法 1 當選完刀號后,X、Y軸移動的同時,機床也進行換刀的動作,但是,X、Y軸移動的距離,與X、Y軸的移動指令不相吻合,并且每次的實際移動距離與移動指令之差還不一樣 沒有任何報警,應屬于參數問題。 1.修改參數0009號TMF… [了解更多]
2016-01
600 加工中心出于提高工效和降低員 工勞動強度的需要,加裝了一臺 能自動完成上、下料工作的機器 人。當機器人完成上料后,防護 門關閉,工件自動裝夾,加工完 成后,工裝放松,防護門打開, 再由機器人卸料。 1. 硬件要求 此次改造中,我們新增了能 實現自動裝夾的氣動工裝,自動 打… [了解更多]
2015-10
描述 本實用新型涉及一種刀具夾緊機構,特別是一種數控落地機床的刀具夾緊機構。 背景 與普通機床相比,數控機床的工藝范圍更寬,工藝能力更強,其主傳動具有較寬的 調速范圍,以保證在加工時能選用合理的切削用量,從而獲得最佳的加工質量和生產率。現 代數控機床的加工中心主軸部件是機床的… [了解更多]