一、操作面板

二、 軟件界面
鍵盤及功能鍵介紹
功能鍵說明:
? MONITOR – 為坐標顯示切換及加工程序呼叫
? TOOL/PARAM – 為刀補設置、刀庫管理(刀具登錄)及刀具壽命管理
? EDIT/MDI – 為MDI運行模式和程序編輯修改模式
? DIAGN/IN-OUT – 為故障報警、診斷監測等
? FO – 為波形顯示和PLC梯形圖顯示等
三、 機械操作面板

四、常用操作步驟
(一)回參考點操作
? 先檢查一下各軸是否在參考點的內側,如不在,則應手動移到參考點的內側,以避免回參考點時產生超程;
? 選擇“原點復歸”操作模式,分別按 -X 、+Y 、 +Z 軸移動方向按鍵選擇移動軸,此時按鍵上的指示燈將閃爍,按“回零啟動”按鍵后,則 Z 軸先回參考點,然后 X 、 Y 再自動返回參考點。回到參考點后,相應按鍵上的指示燈將停止閃爍。
(二)步進、點動、手輪操作
選擇“寸動進給”、“階段進給”或“手輪進給”操作模式;
按操作面板上的“ +X ”、“ +Y ”或“ +Z ”鍵,則刀具相對工件向 X 、 Y 或 Z 軸的正方向移動, 按機床操作面板上的“- X ” “ -Y ”或“- Z ”鍵,則刀具相對工件向 X 、 Y 或 Z 軸的負方向移動;
(二)點動、步動、手輪操作
如欲使某坐標軸快速移動,只要在按住某軸的“+”或“-”鍵的同時,按住中間的“快移”鍵即可。
“階段進給” 時需通過 “快進修調”旋鈕選擇進給倍率、“手輪進給” 時則在手輪上選擇進給率。
在“手輪進給” 模式下,左右旋動手輪可實現當前選擇軸的正、負方向的移動。

(三)MDI 操作
? 使用地址數字鍵盤,輸入指令,例如: G91G28Z0 ; G28X0Y0 ;輸入完一段或幾段程序后,點“ INPUT/CALC ”鍵確認,然后點擊機械操作面板上的“循環啟動”按鈕,執行 MDI 程序。
? 選擇操作面板上的“手動資料”操作模式,再按數控操作面板上的“ EDIT/MDI ”功能鍵,機床進入 MDI 模式,此時 CRT 界面出現 MDI 程序編輯窗口。
? 另外,在任一操作模式下,按“ MONITOR ”功能鍵,在“相對值”顯示畫頁下,可輸入 M 、 S 、 T 指令,然后按“ INPUT ”鍵執行這些輔助功能指令。
例如:鍵入“ T2 ” → “ INPUT ”可選刀,接著鍵入“ M6 ” → “ INPUT ”可換刀。
?
(四)對刀及刀補設定
(1)工件零點設定
? 裝夾好工件后,在主軸上裝上電子尋邊器,碰觸左右兩邊后, X 軸移動到此兩邊坐標中值的位置,再碰觸前后兩邊, Y 軸移到此兩邊坐標中值的位置處,然后按“ TOOL/PARAM ” →菜單軟鍵→“工件”,顯示 G54/G55/…設置畫頁,在下方輸入區左端輸入#(54),移動光標到X下方,按“SHIFT” →“INPUT/CALC”提取當前X機械坐標,再按“INPUT/CALC”即可將此X值自動置入G54的X設定中;按↑光標鍵,確保左端括弧內為# (54),同樣地,將光標移到Y下方,按“SHIFT” →“INPUT/CALC” →“INPUT/CALC”即可將此時機械Y值自動置入G54的Y設定中。如果使用Z軸設定器對刀,則G54的Z值可設為-50。
(2)刀長補償設定
? 使用 Z軸設定器對某把刀具進行Z軸對刀,刀具停在剛剛接觸Z軸設定器上表面的位置處,然后按“TOOL/PARAM”,在刀長補償設置畫頁,移光標到該刀號地 址處,按“SHIFT” →“INPUT/CALC” →“INPUT/CALC”即可將此時機械Z值自動置入對應刀長補償中。
(五)程序輸入與編輯
? 選擇MDI手動資料以外的任一操作模式,在數控操作面板上按“EDIT/MDI”功能按鍵
? 按“一覽表”可瀏覽檢索系統存貯器中已有的程序
l 按“呼叫”然后輸入程序號可調入已有的程序
l 按“程序”然后再輸入一個沒有的程序號可創建一個新程序
l 使用地址數字鍵輸入程序,每行以“;”( EOB )號分隔,連續輸入一行或多行程序后,一定要按“ INPUT/CALC ”鍵確定,否則輸入無效
l MITSUBISHI 系統輸入編輯方式比較自由,可逐字符修改,但使用 DEL/INS 、 C.B/CAN 編輯鍵時要注意用法,按 CAN 鍵一次將刪除整行程序數據。
l 編輯程序時,左右兩側區域都是程序顯示區,但編輯主要在左側區內進行,局部修改時可使用翻頁鍵將右側程序翻頁至左側,從而加快光標定位速度
DNC 程序輸入:
選擇 MDI手動資料以外的任一操作模式,在數控操作面板上按“DIAGN/IN-OUT”功能按鍵,然后按“菜單”鍵切換到輸入/輸出畫頁;按“輸入”菜單 項,在下部輸入區輸入#(1),再將光標右移到下一括弧內,當PC電腦端作好準備后,并插好RS232通訊電纜,可按“INPUT/CLAC”鍵使之處于 接受狀態,然后在PC電腦端點“發送”即可。DNC傳送的波特率應設為9600。
(五)加工程序呼叫、 DNC 連線加工
? 選擇“自動加工(記憶操作)”操作模式,按“ MONITOR ”功能鍵切換到坐標顯示畫頁,再按“呼叫”菜單軟鍵,在 O ( xxxx )括號中輸入欲加工運行的程序號后,按“ INPUT/CLAC ”鍵,程序即被調入。工件和刀具準備好后,按“循環啟動”鍵即可開始自動加工運行。
? 若要從指定行開始運行,可在 O ( xxxx ) N ( xxxx )括號中指定程序番號和程序行號(或程序行特征字符),再按“ INPUT/CLAC ”鍵調用程序。
? DNC 加工:要進行連線加工,首先必須將用戶參數中輸出入參數的“ #8109 ”號參數設為 1 ,使之處于電腦連線 B 傳輸模式下。
? 選擇“連線加工”操作模式,在 PC 電腦端作好傳送準備,在機床操作面板上按“循環啟動”,然后再按下 PC 電腦端的“發送”鍵。 DNC 連線加工時的波特率應設為 38400 。
五、編程實例

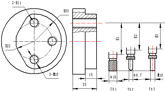
1、加工右圖 所示凸輪鋁件,編出對其上部進行輪廓銑削和鉆3孔并攻絲的加工程序
加工工藝:( 1)用盤刀飛上下表面。
( 2)用Φ16的銑刀粗切外形。
( 3)用Φ16的合金刀精修外形。
( 4)用Φ8.7的鉆頭鉆螺紋底孔。
( 5)用M10的絲錐攻絲。
以上表面為 Z零平面,加工工藝參數見下表:
工序 | 工序 內容 | 刀具 規格 | 刀徑補償 | 刀長 補償 | 主軸轉速 | 進給速度 | 切削 深度 | ||
1 | 飛平面 | Φ 80 | 3000 | 500 | 0 | ||||
2 | 粗銑四周 輪廓 | Φ 16 | 2200 | 500 | 1 | -7.5 | |||
2 | -15 | ||||||||
3 | 精修四周 輪廓 | T01 | Φ 16 | H10= 16 | H1 | 2500 | 800 | -15 | |
4 | 鉆3-φ8.7 底孔 | T02 | Φ 8.7 鉆頭 | H2 | 1500 | 100 | -40 | ||
5 | 攻 3-M10 螺孔 | T03 | M10 絲錐 | H3 | 600 | 900 | -38 | ||
精修外形和孔加工的自動換刀程序編寫如下頁
程序單(1)
O1111 主程序號
G90G80G40G49G17G94 ; 設定初始狀態
T1M6; 選擇一號刀加工
G90G54G0X0.Y-45.S2500M3 G43Z10H1; 設定工件坐標原點
G43Z10H1 設定刀長補償
G01Z-15.F800M8 加工凸輪深度
G41G1X-9.526Y-27.5H10 設定刀具半徑補償
X-19.053Y-11. 加工凸輪形狀
G2Y11.R22.
G1X-9.526Y27.5
G2X0Y33.R11.
Y-33.R33.
X-9.526Y-27.5R11.
G3X-23.187Y-23.84R10. 加工凸輪形狀
G1G40X-31.847Y-28.84 G0Z50.M9 抬刀
M5 主軸停止
G91G28Z0. Z軸回參考點
G28X0.Y0. X、Y軸回參考點
M01 暫停
T2M6 換二號刀
G90G54G0X22.0Y0S1500M3 設定二號刀工件坐標原點
G43Z10H2M8 設定刀長補償
G98G83Z-40.R5.Q8.F100 鉆孔
X0Y22. 鉆孔
Y-22. 鉆孔
G80M5 主軸停止
G91G28Z0M9
G28X0Y0 回參考點
M01 暫停
T3M6 換三號刀
G90G54G0X22.0Y0 設定三號刀工件坐標原點
G43Z10H2M8 設定三號刀刀長補償
M29S600 設定主軸速度
G94G98G84Z-38.R5.F900 攻絲
X0Y22.
Y-22.
G80M5
G91G28Z0M9 Z軸回參考點
G28X0Y0 X、Y軸回參考點
M30 程序結束,復位
三菱系統G代碼:
G00 快速定位
G01 直線補間切削
G02 圓弧補間切削CW(順時針)
G03 圓弧補間切削CCW(逆時針)
G02.3 指數函數補間 正轉
G03.3 指數函數補間 逆轉
G04 暫停
G05 高速高精度制御 1
G05.1 高速高精度制御 2
G06~G08沒有
G07.1/107 圓筒補間
G09 正確停止檢查
G10 程式參數輸入/補正輸入
G11 程式參數輸入取消
G12 整圓切削CW
G13 整圓切削CCW
G12.1/112 極坐標補間 有效
G13.1/113 極坐標補間 取消
G14沒有
G15 極坐標指令 取消
G16 極坐標指令 有效
G17 平面選擇 X-Y
G18 平面選擇 Y-Z
G19 平面選擇 X-Z
G20 英制指令
G21 公制指令
G22-G26沒有
G27 參考原點檢查
G28 參考原點復歸
G29 開始點復歸
G30 第2~4參考點復歸
G30.1 復歸刀具位置1
G30.2 復歸刀具位置2
G30.3 復歸刀具位置3
G30.4 復歸刀具位置4
G30.5 復歸刀具位置5
G30.6 復歸刀具位置6
G31 跳躍機能
G31.1 跳躍機能1
G31.2 跳躍機能2
G31.3 跳躍機能3
G32沒有
G33 螺紋切削
G34 特別固定循環(圓周孔循環)
G35 特別固定循環(角度直線孔循環)
G36 特別固定循環(圓弧)
G37 自動刀具長測定
G37.1 特別固定循環(棋盤孔循環)
G38 刀具徑補正向量指定
G39 刀具徑補正轉角圓弧補正
G40 刀具徑補正取消
G41 刀具徑補正 左
G42 刀具徑補正 右
G40.1 法線制御取消
G41.1 法線制御左 有效
G42.1 法線制御右 有效
G43 刀具長設定(+)
G44 刀具長設定(—)
G43.1 第1主軸制御有效
G44.1 第2主軸制御有效
G45 刀具位置設定(擴張)
G46 刀具位置設定(縮小)
G47 刀具位置設定(二倍)
G48 刀具位置設定(減半)
G47.1 2主軸同時制御 有效
G49 刀具長設定 取消
G50 比例縮放 取消
G51 比例縮放 有效
G50.1 G指令鏡象 取消
G51.1 G指令鏡象 有效
G52 局部坐標系設定
G53 機械坐標系選擇
G54 工件坐標系選擇1
G55 工件坐標系選擇2
G56 工件坐標系選擇3
G57 工件坐標系選擇4
G58 工件坐標系選擇5
G59 工件坐標系選擇6
G54.1 工件坐標系選擇擴張48組
G60 單方向定位
G61 正確停止檢查模式
G61.1 高精度制御
G62 自動轉角進給率調整
G63 攻牙模式
G63.1 同期攻牙模式(正攻牙)
G63.2 同期攻牙模式(逆攻牙)
G64 切削模式
G65 使用者巨集 單一呼叫
G66 使用者巨集 狀態呼叫A
G66.1 使用者巨集 狀態呼叫B
G67 使用者巨集 狀態呼叫 取消
G68 坐標回轉 有效
G69 坐標回轉 取消
G70 使用者固定循環
G71 使用者固定循環
G72 使用者固定循環
G73 固定循環(步進循環)
G74 固定循環(反向攻牙)
G75 使用者固定循環
G76 固定循環(精搪孔)
G77 使用者固定循環
G78 使用者固定循環
G79 使用者固定循環
G80 固定循環取消
G81 固定循環(鉆孔/鉛孔)
G82 固定循環(鉆孔/計數式搪孔)
G83 固定循環(深鉆孔)
G84 固定循環(攻牙)
G85 固定循環(搪孔)
G86 固定循環(搪孔)
G87 固定循環(反搪孔)
G88 固定循環(搪孔)
G89 固定循環(搪孔)
G90 絕對值指令
G91 增量值指令
G92 機械坐標系設定
G93 逆時間進給
G94 非同期進給(每分進給)
G95 同期進給(每回轉進給)
G96 周速一定制御 有效
G97周速一定至于 取消
G98 固定循環 起始點復歸
G99 固定循環 R點復歸
G114.1 主軸同期制御
G100~225 使用者巨集(G碼呼叫)最大10個
M00 程序停止(無條件停止)
M01選擇性停止
M02程序結束
M03主軸順時針轉
M04主軸逆時針轉
M05主軸停止
M06換刀
M08冷卻液開
M09冷卻液關
M10夾緊 (臥式加工中心第四軸)
M11松開(臥室加工中心第四軸)
M15正方向快速移動
M16反方向快速移動
M19主軸定位
M30程式停止
M98 調用子程序
M99 子程序結束
2024-11
本文以組合式六角亭模型為實例,分析工藝難點與加工可行性,指出該模型的加工難點是模型形狀不規則和整體剛性差,并通過設計新的工藝方案解決加工難點,完成了模型整體的加工。新的加工工藝有助于提高加工效率和精度,為五軸數控加工提供了一個典型案例,對于五軸加工中心數控加工也具有指導作用和重要… [了解更多]
2024-11
宇匠數控 備注:為保證文章的完整度,本文核心內容由PDF格式顯示,如未有顯示請刷新或轉換瀏覽器嘗試,手機瀏覽可能無法正常使用!本文摘要:通過對混聯五軸加工中心自適應深度學習控制方法的 研 究,可 知 此 方 法 的 創 新 之 處 在 于:1)建 立 了 機 床 的 運 動 學 … [了解更多]
2024-11
在機測量技術由于其成本低、檢測效率高、無需二次裝夾等優勢被廣泛用于零件加工測量當中,使得五軸加工中心和五軸鉆攻中心,同時又兼具測量功能。在機測量系統的構成如圖1所示,硬件部分主要是由高精度探頭、信號接收器、機床整個本體,軟件部分由機床控制系統、測量軟件等組成[8]。待零件加工完成… [了解更多]
2024-11
?加工精度是影響機床性能和產品質量的主要難題,也是制約國家精密制造能力的重要因素。本文以五軸加工中心為對象,針對提升機床精度進行了研究。并且隨著科技的發展,精密的儀器和零件在生產實踐中占據的分量逐漸增加,在數控機床這種精密機器精度不斷提高的同時,必須控制內外界環境的隨機影響因素在… [了解更多]