數控銑床(數控加工中心、精雕機、雕銑機、龍門銑、石墨機等)編程中介紹的準備功能G代碼和輔助功能}1代碼在加工中心編程中依然有效,只是不同的系統功能略有差別。以數控加工中心為例,介紹數控加工中心程序編制的基本方法。該加工中心配備的是華中世紀星HNC-21 M數控系統,該系統常用的一些G指令可參考第13章數控銑加工中的G指令,M代碼如表14. 2所示。


CNC加工中心的編程方法與一般數控銑床的編程方法相同,在第13章已經介紹。下面以華中數控系統為例,重點介紹加工中心特有的一些程序編制方法。
1.工件坐標系指令
由于加工中心可以進行多工位加工,故常常在一個程序中用到多個坐標系。利用G54G59則可建立6個工件坐標系,如圖14. 10所示。
例如,用G54和G59建立兩個坐標系,首先測量出對應工件原點與機床原點的偏置量,即G54 (X1, Y1, Z1)、G59 (X6 , Y6 , Z6 ),然后在相應的工件坐標系選擇畫面上填入相應值,就完成了G54 , G59工件坐標系的設定。此后程序中有G90 G54 X30 Y20時,則向預先設定的工件坐標系中的A點移動,如圖14. 11所示。

2.換刀指令
換刀指令由G,r M06構成。T為選刀指令,一般為T00一T99, T00為刀具庫中的空刀位,不安裝刀具。一般在加工程序結束前,要把主軸上的刀送回刀具庫中,執行T00 M06即可。T01一T99為1一99號刀具位置。如果說要用3號刀,那么T03的功能就是把刀具庫中的3號刀位上的刀轉至待取位置。M06為換刀指令,當執行M06時,自動換刀裝置把待取位置上的刀與主軸上的刀同時取下并相互交換位置。一般選刀和換刀分開執行,選刀動作可與機床加工同時進行,即利用切削時間選好刀具;而換刀必須在主軸停轉條件下進行,因此換刀動作指令M06必須編在用“新刀”進行加工的程序段之前,等換上“新刀”,啟動主軸后,方可進行下面程序段的加工。
一般零件加工中心換刀前要執行G28指令,使主軸刀具卡盤端面中心返回機床參考點、.;在G28指令前,必須取消刀具的半徑補償和長度補償。G28的使用格式如下:
G53 G28 X Y Z;
其中,G53為機床坐標系指令,X_ Y_ Z_為機床坐標系中的位置坐標,該指令的意義是刀具經過中間點X_ Y_ Z_返回機床的參考點,X_ Y_ Z_是刀具回機床參考途中必須經過的中間位置。如要換T03,作為下一工序的使用刀具,其指令程序段為:
T03 選T03號刀具
G40 G99;
G53 G28 ZO M06
換刀前取消當前使用刀具的半徑補償和長度補償
通過機床坐標系Z軸零點返回機床參考點,執行換刀動作MO 6,把T03裝在主軸上
數控系統不一樣,返回參考點的指令也不盡祖同。在華中數控系統中,使用指令G29,該指令功能與G28相似。不同之處是刀具自動返回第二參考點,而第二參考點的位置是由參數來設定的,G29指令必須在刀具返回第一參考點后才有效。通常G29指令用于自動換刀位置與參考點不同的場合,而在使用G29前,同G28一樣應先取消刀具補償。指令程序段為:
T06; 選T06刀具
…..
G40 ; 取消刀具半徑補償
G91 G29 X0Y0 Z0; 返回第二參考點(換刀點)
M06; 執行換刀動作M06,把T06裝在主軸上
3.刀具補償
(1)刀具半徑補償G40,以1,以2。加工中心的刀具半徑補償與數控銑床刀具半徑補償類似,一般是指銑刀中心軌跡與工件的實際尺寸之間的距離采用半徑補償方式來設定,補償量為刀具半徑值。第13章已經介紹過,在使用半徑補償時,編程按工件實際尺寸來計一算,而加工中刀具軌跡可自動偏置。詳細內容見第13章
(2)刀具長度補償G40 G41 G42。在數控銑床上需要用刀具長度補償功能補償刀具的磨損。加工中也有同樣的問題,而且由于多把刀具參與一個零件的加工,還產生了新的問題。當一個加工程序內要使用幾把刀時,由于每把刀的長度不同,在同一坐標系內,在Z值不變的情況下,每把刀具的端面在Z方向的實際位置有所不同,這會給編程帶來很大困難。為此,先將一把刀作為標準刀具,以此為基準,將其他刀具的長度相對于標準刀具長度的增加或減少值作為補償記錄在機床數控系統的某個單元內。當刀具Z方向運動時,數控系統將根據已記錄的補償值作相應的修正。當實際刀具與編程刀具長度不符時,用長度補償進行修正可不必改變所編程序。詳細內容見第13章
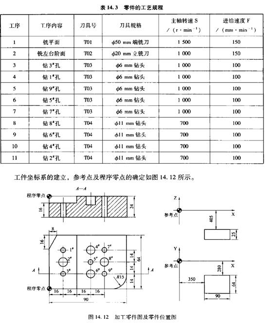
編程舉例
例14-1如圖14. 12所示為零件及零件位置圖。其中1#, 2#, 5#, 6#, 7#, 8#孔深10 mm, 3#,4#, 9#為通孔。
I.工藝分析
由于零件較小,外形規則,采用平口鉗裝夾即可,選擇以下四種工具進行加工:1號刀為Φ50 mm端銑刀,用于銑上表面;2號刀為Φ20 mm立銑刀,用于銑左臺階面;3號刀為Φ6 mm鉆頭,4號刀為Φ11 mm鉆頭,用于孔加工。通過測量刀具,設定補償值,用于刀具補償。該零件的工藝規程見表14. 3 –







本文由 伯特利技術文章 整理發表,文章來自網絡僅參考學習,本站不承擔任何法律責任。
相關產品可查閱本站: 產品中心
相關技術文章可查閱本站:技術文章
更多了解鉆攻中心請進入:鉆攻中心欄
更多了解加工中心請進入:加工中心欄
數控教學論文及行業發展資訊可查閱本站:行業資訊
2024-11
本文以組合式六角亭模型為實例,分析工藝難點與加工可行性,指出該模型的加工難點是模型形狀不規則和整體剛性差,并通過設計新的工藝方案解決加工難點,完成了模型整體的加工。新的加工工藝有助于提高加工效率和精度,為五軸數控加工提供了一個典型案例,對于五軸加工中心數控加工也具有指導作用和重要… [了解更多]
2024-11
宇匠數控 備注:為保證文章的完整度,本文核心內容由PDF格式顯示,如未有顯示請刷新或轉換瀏覽器嘗試,手機瀏覽可能無法正常使用!本文摘要:通過對混聯五軸加工中心自適應深度學習控制方法的 研 究,可 知 此 方 法 的 創 新 之 處 在 于:1)建 立 了 機 床 的 運 動 學 … [了解更多]
2024-11
在機測量技術由于其成本低、檢測效率高、無需二次裝夾等優勢被廣泛用于零件加工測量當中,使得五軸加工中心和五軸鉆攻中心,同時又兼具測量功能。在機測量系統的構成如圖1所示,硬件部分主要是由高精度探頭、信號接收器、機床整個本體,軟件部分由機床控制系統、測量軟件等組成[8]。待零件加工完成… [了解更多]
2024-11
?加工精度是影響機床性能和產品質量的主要難題,也是制約國家精密制造能力的重要因素。本文以五軸加工中心為對象,針對提升機床精度進行了研究。并且隨著科技的發展,精密的儀器和零件在生產實踐中占據的分量逐漸增加,在數控機床這種精密機器精度不斷提高的同時,必須控制內外界環境的隨機影響因素在… [了解更多]