在數控編程時,為了描述機床的運動,簡化程序編制的方法及保證記錄數據的互換性,數控機床的坐標系和運動方向均已標準化,目前國際上數控機床的坐標軸和運動方向均已實現標準化。掌握機床坐標系、編程坐標系、加工坐標系等概念,是具備人工設置機床加工坐標系的基礎。
(1)機床相對運動的規定。無論機床在實際加工中是工件運動還是刀具運動,在確定編程坐標時,一般看作是工件相對靜止,而刀具運動這一原則可以保證編程人員在不確定機床加工零件時是刀具移向工件,還是工件移向刀具的情況下,都可以根據圖紙或數模進行手工或自動數控編程。
為了確定機床的運動方向和移動距離,需要在機床上建立一個坐標系,這個坐標系就是機床坐標系。數控機床上的標準坐標系采用右手直角笛卡兒坐標系,如圖1.9所示。

圖1.9 機床坐標系
(2)機床坐標系的規定。在確定機床坐標軸時,一般先確定Z軸,然后確定X軸和Y軸,最后確定其他軸。機床某一零件運動的正方向,是指增大工件和刀具之間距離的 方向。
① Z軸:Z軸的方向是由傳遞切削力的主軸確定的,與主軸軸線平行的坐標軸即是Z軸,Z坐標的正向為刀具離開工件的方向。如果機床上有幾個主軸,則選一個垂直于工件裝夾平面的主軸方向為Z坐標方向;如果主軸能夠擺動,則選垂直于工件裝夾平面的方向為Z坐標方向;如果機床無主軸,則選垂直于工件裝夾平面的方向為Z坐標方向。
② X軸:X軸是水平軸,平行于工件的裝夾面,且垂直于Z軸。這是在刀具或工件定位平面內運動的主要坐標。對于工件旋轉的機床(如車床、磨床等),X坐標的方向是在工件的徑向上,且平行于橫滑座。刀具離開工件旋轉中心的方向為X軸正方向。
③ Y軸:Y坐標軸垂直于X、Z坐標軸。Y運動的正方向根據X和Z坐標的正方向,按照右手直角笛卡兒坐標系來判斷。
④ 旋轉坐標軸:圍繞坐標軸X、Y、Z旋轉的運動,分別用A、B、C表示。它們的正方向用右手螺旋法則判定,如圖1.9所示。
⑤ 附加軸:如果在X、Y、Z主要坐標以外,還有平行于它們的坐標,可分別指定第2組U、V、W坐標,第3組P、Q、R坐標。
常見類型數控機床的坐標系如圖1.10~圖1.16所示。

圖1.10 二軸數控車床的坐標系 圖1.11 三軸數控銑床的坐標系

圖1.12 帶旋轉頭的四軸銑床的坐標系 圖1.13 帶旋轉工作臺頭的四軸銑床的坐標系

圖1.14 帶旋轉頭和工作臺的五軸銑床的坐標系 圖1.15 帶雙旋轉工作臺的五軸銑床的坐標系

圖1.16 帶雙旋轉頭的五軸銑床的坐標系
工件坐標系是用于確定工件幾何圖形上各幾何要素(點、直線和圓弧)的位置而建立的坐標系。工件坐標系的原點即是工件零點。選擇工件零點時,最好把工件零點放在工件圖的尺寸能夠方便地轉換成坐標值的地方。車床工件零點一般設在主軸中心線上,工件的右端面或左端面。銑床工件零點,一般設在工件外輪廓的某個角上,進刀深度方向的零點,大多取在工件表面。工件零點的一般選用原則如下:
3 工件零點選在工件圖樣的尺寸基準上,這樣可以直接用圖紙標注的尺寸,作為編程點的坐標值,減少計算工作量。
3 能使工件方便地裝夾、測量和檢驗。
3 工件零點盡量選在尺寸精度較高的工件表面上。這樣可以提高工件的加工精度和同一批零件的一致性。
3 對于有對稱形狀的幾何零件,工件零點最好選在對稱中心上。
機床原點是指機床坐標系的原點,即X=0,Y=0,Z=0。機床原點是機床的基本點,它是其他所有坐標,如工件坐標系、編程坐標系,以及機床參考點的基準點。從機床設計的角度看,該點位置可以是任意點,但對某一具體機床來說,機床原點是固定的。數控車床的原點一般設在主軸前端的中心(如圖1.17所示)。數控銑床的原點位置各生產廠家不一致,有的設在機床工作臺中心,有的設在進給行程范圍的終點(如圖1.18所示)。
機床參考點是用于對機床工作臺、滑板以及刀具相對運動的測量系統進行定標和控制的點,有時也稱機床零點。它是在加工之前和加工之后,用控制面板上的回零按鈕使移動部件退回到機床坐標系中的一個固定不變的極限點。機床參考點的位置是由機床制造廠家在每個進給軸上用限位開關精確調整好的,坐標值已輸入數控系統中,因此參考點對機床原點的坐標是一個已知數。數控機床在工作時,移動部件必須首先返回參考點,測量系統置零之后即可以參考點作為基準,隨時測量運動部件的位置,刀具(或工作臺)移動才有基準。

圖1.17 車床的機床原點 圖1.18 銑床的機床原點
通常在數控銑床上機床原點和機床參考點是重合的;而在數控車床上機床參考點是離機床原點最遠的極限點。數控車床的參考點與機床原點如圖1.19所示。

圖1.19 數控車床的參考點與機床原點
編程坐標系是編程人員根據零件圖樣及加工工藝等建立的坐標系。編程坐標系一般供編程使用,確定編程坐標系時,不必考慮工件毛坯在機床上的實際裝夾位置,如圖1.20所示,其中O2即為編程坐標系原點。

圖1.20 編程坐標系和編程原點
為了編程方便,需要在圖紙上選擇一個適當的位置作為編程原點,即程序原點或程序零點。對于簡單零件,工件零點一般就是編程原點,這時的編程坐標系就是工件坐標系。而對于形狀復雜的零件,需要編制幾個程序或子程序。為了編程方便和減少坐標值的計算,編程原點就不一定設在工件零點上,而設在便于程序編制的位置。
對刀點就是在數控加工時,刀具相對于工件運動的起點(編制程序時,不論實際是刀具相對于工件運動,或是工件相對于刀具運動,都看作工件是相對靜止的,而刀具在運動),程序就是從這一點開始的。對刀點也可以稱為“程序起點”或“起刀點”。編制程序時應首先考慮對刀點的位置選擇。選定的原則如下:① 選定的對刀點位置應使程序編制簡單。② 對刀點在機床上找正容易。③ 加工過程中檢查方便。④ 引起的加工誤差小。
對刀點可以設在被加工零件上,也可以設在夾具上,但是必須與零件的定位基準有一定的坐標尺寸聯系,這樣才能確定機床坐標系與零件坐標系的相互關系。對刀點不僅是程序的起點而且往往又是程序的終點。因此在批量生產中就要考慮對刀的重復精度,通常,對刀的重復精度在絕對坐標系統的數控機床上可由對刀點距機床原點的坐標值來校核,在相對坐標系統的數控機床上,則經常要人工檢查對刀精度。
當工件在機床上固定以后,程序原點與機床參考點的偏置量必須通過測量來確定。現代CNC系統一般都配有工件測量頭,在手動操作下能準確地測量該偏移量,存入G54到G59原點偏置寄存器中,供CNC系統原點移置計算用。在沒有工件測量頭的情況下,程序原點位置的測量要靠對刀的方式進行。
圖1.21描述了一次裝夾加工兩個相同零件的多程序原點與機床參考點之間的關系及偏移計算方法。采用G54到G59實現原點偏移的有關指令為:

圖1.21 原點偏置
N01 G90 G54
…… /*加工第一個零件
N02 G55
…… /*加工第二個零件
當然首先要設置G54到G56原點偏置寄存器:
零件1:G54 X10.0Y15.0Z0.0
零件2:G55 X55.0Y40.0Z0.0
顯然,對于多程序原點偏移,采用G54到G59原點偏置寄存器存儲所在程序原點與機床參考點的偏移量,然后在程序中直接調用G54到G59進行原點偏移,無疑給編制復雜零件的加工程序帶來很大方便。
實現原點偏置的另一種方法是采用G92。在使用絕對坐標指令編程時,需要建立工件坐標系,以確定絕對坐標的原點(即程序原點)。建立工件坐標系后,就可以確定刀具當前點在工件坐標系中的坐標值。G92可以實現工件坐標系的設定,其格式為:G92 X_Y_Z_,X_Y_Z_為刀具在工件坐標系中的當前位置,如圖1.22所示的指令為G92X50.0Y80.0Z80.0。因此G92指令是通過設定刀具起點相對于工件坐標系原點的相對位置建立工件坐標系,G92指令將該坐標值寄存在數控系統的存儲器內,執行G92指令只是建立在工件坐標系中刀具起點相對于程序原點的位置,刀具并不產生運動,即X、Y、Z軸均不運動,但機床顯示器上的坐標值發生變化,該坐標系在機床重開機時消失。例如在圖1.21中通過調零,使機床回到機床參考點,刀具中心對準機床零點,顯示器中顯示的各軸坐標值均為零,執行G92X-10.0Y-15.0Z0.0后,建立了工件1的工件坐標系,刀具中心(機床參考點)位于工件坐標系的X=-10.0,Y=-15.0,Z=0.0處,刀具相對于機床的位置沒有改變,但顯示器中的坐標值為X=-10.0,Y=-15.0,Z=0.0,在該指令以后的程序中,凡是絕對尺寸指令中的坐標值均為點在工件1的工件坐標系的坐標。在圖1.21中,采用G92實現原點偏置的指令為:

圖1.22 采用G92實現原點偏置
N0l G90 /*絕對坐標編程,刀具位于機床參考點
N02 G92X-10.0Y-15.0Z0.0 /*將程序原點定義在第一個零件上的工件原點
…… /*加工第一個零件
N08 G00X0Y0 /*快速回程序原點
N09 G92X-45.0Y-25.0Z0.0 /*將程序原點定義在第二個零件上的工件原點
…… /*加工第二個零件
N12 G00X0Y0 /*快速回程序原點
這里應注意比較G92與G54到G59指令之間的差別和不同的使用方法。G92指令須后續坐標值指定當前工件坐標值,因此須單獨一個程序段指定,盡管該程序段中有位置指令值,但并不產生運動。另外,在使用G92指令前,必須保證機床處于加工起始點,該點稱為對刀點。
對于編程員而言,一般只要知道工件上的程序原點即可,與機床原點、機床參考點及裝夾原點無關。但對于機床操作者來說,必須分清楚所選用的數控機床上述各原點及其之間的偏移關系。數控機床的原點偏移,實質上是機床參考點向編程員定義在工件上的程序原點的偏移。
下面以數控銑床(控制系統為FANUC 0M)加工坐標系的設定為例,說明工作步驟,使讀者對數控加工中的坐標系以及上述提到的基本概念有一個綜合性的理解。
如圖1.23所示是被加工零件圖樣,在確定了編程原點位置后,可按以下方法進行加工坐標系設定。

圖1.23 機床加工坐標系設定零件圖樣
(1)準備工作。機床返回參考點,確認機床坐標系。
(2)裝夾工件毛坯。通過夾具使零件定位,并使工件定位基準面與機床運動方向一致。
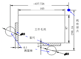
(3)對刀測量。用簡易對刀法測量,方法如下:
用直徑為
的標準測量棒、塞尺對刀,得到測量值為X=-437.726,Y=-298.160,如圖1.24所示。Z=-31.833,如圖1.25所示。

圖1.24 X、Y向的對刀 圖1.25 Z向的對刀
(4)計算設定值。按圖1.24所示,將前面已測得的各項數據,按設定要求運算。
X坐標設定值:X=-437.726+5+0.1+40=-392.626mm
其中:-437.726mm為X坐標顯示值,+5mm為測量棒半徑值,+0.1mm為塞尺厚度,+40.0為編程原點到工件定位基準面在X坐標方向的距離。
Y坐標設定值:Y=-298.160+5+0.1+46.5=-246.46mm
其中:按照圖1.24所示,-298.160mm為Y坐標顯示值;+5mm為測量棒半徑值;+0.1mm為塞尺厚度;+46.5為編程原點到工件定位基準面在Y坐標方向的距離。
Z坐標設定值:Z=-31.833-0.2=-32.033mm
其中:-31.833為坐標顯示值;-0.2為塞尺厚度,如圖1.25所示。
通過計算,結果為:X=-392.626,Y=-246.460,Z=-32.033。
(5)設定加工坐標系。將開關放在MDI方式下,進入加工坐標系設定頁面。輸入數據為:X=-392.626,Y=-246.460,Z=-32.033。
這表示加工原點設置在機床坐標系的X=-392.626,Y=-246.460,Z=-32.033的位置上。
(6)校對設定值。在進行了加工原點的設定后,為防止出錯應進一步校對設定值,以保證參數的正確性。校對工作的具體過程如下:在設定了G54加工坐標系后,再進行回機床參考點操作,其顯示值為:X=+392.626,Y=+246.460,Z=+32.033。
這說明在設定了G54加工坐標系后,機床原點在加工坐標系中的位置為:X=+392.626,Y=+246.460,Z=+32.033。這反過來也說明G54的設定值是正確的。
有關數控機床的調整可參閱1.4節。