一、實訓目的與要求
通過典型零件編程與加工,進一步熟悉和掌握HNC-21M數控系統常用指令的編程與加工工藝,加深對數控加工中心工作原理的了解;
二、實訓儀器與設備
(1) 配HNC-21M數控系統的ZJK7532A-3/4數控加工中心。
(2) 材料:硬鋁 尺寸 140X100X20
刀具 ?12的立銑刀 ?2.5中心鉆 ?10鉆頭 ?11.8鉆頭 ?12H7鉸刀
三、相關知識概述
數控加工中心的主要加工對象為平面類零件、箱體類零件和曲面類零件,還能進行數控鉆、鏜、锪、鉸及攻螺紋等孔加工操作。由于數控加工中心沒有刀庫,不具有自動換刀功能,所以其加工程序的編制比較簡單;通常數值計算量不大的平面輪廓加工程序或孔加工程序可直接通過手工編程完成。
四、實訓的內容
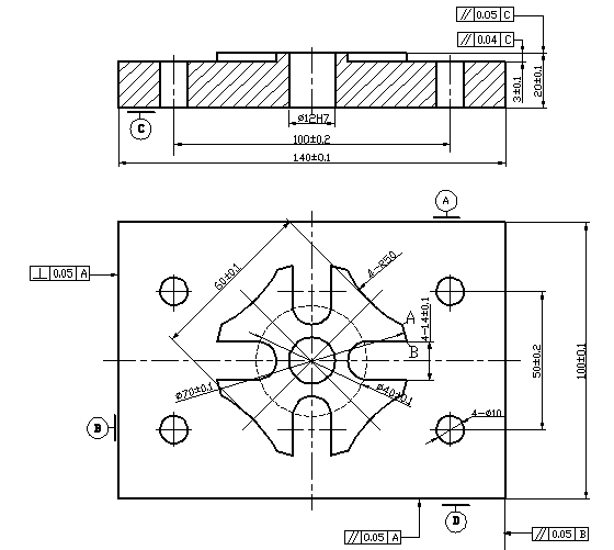
(1)HNC-21M數控系統編程指令格式,編制出如圖所示零件的加工程序。
(2)根據上述加工零件,制定加工工藝。
1.工藝分析。
① 技術要求。毛坯四周、底面、頂面已預先加工
② 加工工藝的確定。裝夾定位的確定:采用機用虎鉗裝夾。工藝路線的確定:粗加工
半精加工
精加工
③ 加工刀具的確定:?12立銑刀 ?2.5中心鉆 ?10鉆頭 ?11.8鉆頭 ?12H7鉸刀
④ 切削用量: ?12立銑刀 主軸轉速800r/min , 進給速度 200mm/min
?2.5中心鉆 主軸轉速1500r/min , 進給速度200mm/min
?10鉆頭 主軸轉速1000r/min , 進給速度200mm/min
?11.8鉆頭 主軸轉速1000r/min , 進給速度 200mm/min
?12H7鉸刀 主軸轉速300r/min , 進給速度 50mm/min

2)數學計算 B點的坐標(34.293, 7),A點的坐標(32.625, 12.675)
3)程序編輯
%0001
T01M06(Ф12立銑刀)
G54G90G40G49
M03S1000
G0X-65Y60
G43H01Z10
M08
G01Z-3F300
Y-40.49
X-55
Y40.49
X-45
Y-40.49
X-40.49
Y-36
X-24
Y-30
X-40.49
Y30
X-24
Y36
X-40.49
Y40.49
X60
Y-40.49
X50
Y40.49
X44
Y-40.49
X40.49
Y-36
X24
Y-30
X40.49
Y30
X24
Y36
X40.49
Y40.49
G0Z10
X40.49Y-40.49
G01Z-3F100
X-40.49
X-62Y-46.8
X62
G0Z10
Y46.8
G01Z-3
X-62
G0Z10
G0X-50Y0
G01Z-3F300
G41D01Y7
G01X-34.293
M98P1012
G68X0Y0P-90
M98P1012
G68X0Y0P-180
M98P1012
G68X0Y0P-270
M98P1012
G69
G02X35Y0R35
G01G40X50
G49G0Z100
M09
M05
T02M06(Ф2.5中心鉆)
M03S1800
G00X-50Y25
G43H03Z20
M08
G99G81R5Z-4.5F200
M98P1013
G0X0Y0
G99G81R5Z-4.5F200
G49G0Z100
M09
M05
T03M06(Ф10鉆頭)
M03S1500
G00X-50Y25
G43H03Z20
M08
G99G83R5Q-3K2Z-25F200
M98P1013
G0X0Y0
G99G83R5Q-3K2Z-25F200
G49G0Z100
M09
M05
T04M06(Ф11.8鉆頭)
M03S1500
G00X0Y0
G43H04Z20
M08
G99G81R5Z-25F150
G49G0Z100
M09
M05
T05M06(Ф12H7鉸刀)
M03S350
G00X0Y0
G43H05Z20
M08
G99G85R5Z-25F80
G49G0Z100
M09
M05
M30
子程序
%1012
G01X-34.293Y-7
X-20
G03Y7R7
G01X-34.293
G02X-32.62Y12.67R35
G03X-12.67Y32.62R50
G02X-7Y34.293R35
M99
子程序
%1013
X50
Y-25
X-50
M99
五、實訓總結
數控機床適合加工形狀復雜的零件,對工人的技能要求不高,且不受人為因素的影響;對于批量加工的零件,其一致性好,加工效率高。對于加工余量大且相對均勻的零件的加工,可采用調用子程序的方法。。
六、實訓報告
(1) 零件加工設備的概述(系統名稱、機床型號)。
(2) 零件加工過程的概述(零件圖、工藝路線、加工程序)。
(3) 根據本次實訓,總結數控加工中心加工零件的全過程。
