傳統的加工中心夾具設計,通常使用二維 CAD 技術,設計人員無法觀測其三維結構,設計周期長、勞動量大、修改不便、效率低。基于 UG 的加工中心夾具設計,運用 UG 強有力的工具進行三維造型設計,改變了傳統夾具設計模式。其以加工件為基本件,采用自上而下裝配建模與自下而上裝配相結合的方式進行設計,以三維造型為基礎構建夾具實體模型,再運用 UG 軟件二維轉換功能,生成夾具的二維裝配圖和零件圖,大大縮短了夾具設計與制造周期,減少重復勞動,提高工作效率,降低生產成本。本文以加工中心夾具為例,介紹了基于 UG 平臺的加工中心夾具設計方法。
1 基于 UG 的加工中心夾具三維造型設計
1.1 創鍵工件三維實體模型
基于 UG 平臺構建三維實體模型,方法、步驟如下。
1.1.1 繪制草圖
建立ZY 草圖平面繪制草圖,如圖 1(a)、圖 1(b)所示。
1.1.2 回轉草圖
選擇草圖曲線,回轉軸Y 生成回轉實體,如圖1(c)所示。
1.1.3 拉伸草圖
選擇兩個矩形草圖對稱拉伸,與回轉實體求差,生成工件三維實體,如圖 1(d)所示。
1.1.4 美化實體
隱藏草圖曲線、坐標系,更改實體顯示顏色,生成實體模型,如圖 1(e)所示。

(a)建立 ZY (b)繪制 (c)回轉 (d)拉伸 (e)美化草圖平面 草圖 草圖 草圖 實體
圖 1 創建工件三維實體模型
1.2 設計定位裝置
1.2.1 定位元件三維造型
根據工件的尺寸,設計固定 V 形塊和活動 V 形塊,其
上的細部構造可先粗略地設計出來,待與其他元件裝配發
現問題時再做調整和編輯。同時,還需要設計一個輔助元件支承板,用于限制工件的一個面以及支承固定 V 形塊和活動 V 形塊,如圖 2 所示。

(a)固定 V 形塊 (b)活動 V 形塊 (c)支承板
圖 2 定位元件
1.2.2 裝配定位元件
在 UG 平臺中,進入裝配模塊。首先,調入工件模型, 選擇絕對原點定位,如圖3(a)所示。然后,分別選擇支承板、固定 V 形塊、活動 V 形塊,通過各種約束方法進行定位, 完成定位元件裝配,如圖 3(b)、圖 3(c)、圖 3(d)所示。

(a)調入工 (b)選擇 (c)固定 (d)活動 件模型 支承板 V 形塊 V 形塊
圖 3 裝配定位元件
1.3 設計夾緊機構
本夾具的兩個V 形塊既是定位元件,也是直接夾緊元件。夾緊的方式采用偏心槽輪機構,當旋轉偏心槽輪時,通過安裝在偏心槽中的滑柱使活動V 形塊移動,實現夾緊動作。為了實現這一夾緊操作,還需要其他一些輔助夾緊元件, 如偏心槽輪、導軌板及輪軸等。
首先設計導軌板,再依據活動 V 形塊的移動行程,設計偏心槽輪和輪軸,最后設計滑柱和手柄,如圖4 所示。然后,將各
元件按照裝配關系進行裝配,夾緊機構裝配模型如圖 5 所示。
1.4 設計對刀裝置
本夾具采用側裝對刀塊結構形式,該對刀塊具有水平和側向兩個對刀基準,通過塞尺可同時將兩個切削面一次對刀完成,如圖 6 所示。將對刀塊裝配到已完成夾具的裝配結構中,如圖 7 所示。

(a)導軌板 (b)偏心槽輪 (c)滑柱 (d) (e)手柄
圖 4 夾緊元件

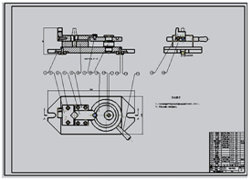
圖 5 夾緊機構裝配圖 圖 6 對刀塊 圖 7 對刀塊裝配圖
1.5 設計夾具體
夾具體擬采用鑄造毛坯平板式結構。在設計夾具體時, 先要測算一下全部夾具元件所占空間的位置和大小,以確定夾具體的總體尺寸。在細部結構上主要考慮其加工制造應具有良好的工藝性,如圖 8 所示。
根據夾具設計的整體方案,將夾具體裝配到已完成的裝配結構中,如圖 9 所示。
爆炸圖是組件按裝配關系偏離原來位置的拆分圖形, 可以方便查看各零件之間的裝配關系以及包含的組件數, 夾具爆炸圖如圖 10 所示。

圖 8 夾 具體 圖 9 夾具裝配模型 10 夾具爆炸圖
2 基于 UG 的加工中心夾具工程圖設計
在 UG 軟件中,二維工程圖可以從產品設計的三維實體中直接生成,并且當三維模型改變時二維工程圖中的相關視圖、尺寸等信息能同步更新,使工程圖的生產非常簡單。設計方法主要包括:設置圖紙、參數預設置、視圖創建、視圖標注、圖紙輸出設置。夾具裝配工程圖如圖 11 所示,
夾具體零件圖如圖 12 所示。

圖 11 夾具裝配工程圖
3 結語
基于 UG 的加工中心夾具設計,首先建立了基于 UG 平臺的夾具標準元件圖庫;然后根據夾具設計方案,把需要的定位元件、夾緊元件以及輔助元件直接復制到夾具裝配文件夾中,并依次裝配各元件;再按照各元件尺寸位置設計夾具體,并裝配成三維實體夾具;最后把三維實體夾具,轉換為二維夾具裝配圖,并以加工中心夾具為例進行驗證。
運用 UG 軟件強有力的工具,創建夾具三維設計的新環境,改變了傳統夾具設計模式,大大縮短了設計與制造周期, 減少重復勞動,提高工作效率,降低生產成本。
圖 12 夾具體零件圖
2024-11
本文以組合式六角亭模型為實例,分析工藝難點與加工可行性,指出該模型的加工難點是模型形狀不規則和整體剛性差,并通過設計新的工藝方案解決加工難點,完成了模型整體的加工。新的加工工藝有助于提高加工效率和精度,為五軸數控加工提供了一個典型案例,對于五軸加工中心數控加工也具有指導作用和重要… [了解更多]
2024-11
宇匠數控 備注:為保證文章的完整度,本文核心內容由PDF格式顯示,如未有顯示請刷新或轉換瀏覽器嘗試,手機瀏覽可能無法正常使用!本文摘要:通過對混聯五軸加工中心自適應深度學習控制方法的 研 究,可 知 此 方 法 的 創 新 之 處 在 于:1)建 立 了 機 床 的 運 動 學 … [了解更多]
2024-11
在機測量技術由于其成本低、檢測效率高、無需二次裝夾等優勢被廣泛用于零件加工測量當中,使得五軸加工中心和五軸鉆攻中心,同時又兼具測量功能。在機測量系統的構成如圖1所示,硬件部分主要是由高精度探頭、信號接收器、機床整個本體,軟件部分由機床控制系統、測量軟件等組成[8]。待零件加工完成… [了解更多]
2024-11
?加工精度是影響機床性能和產品質量的主要難題,也是制約國家精密制造能力的重要因素。本文以五軸加工中心為對象,針對提升機床精度進行了研究。并且隨著科技的發展,精密的儀器和零件在生產實踐中占據的分量逐漸增加,在數控機床這種精密機器精度不斷提高的同時,必須控制內外界環境的隨機影響因素在… [了解更多]